TM1637은 중국 TITAN MICRO ELECTRONICS사에서 만들어진 칩으로 7 세그먼트나 키보드 스캔용으로 사용됩니다.
TM1637을 중국 알리익스프레스에서 검색해 보시면 아래와 같은 모듈이 많이 검색되는데 이 모듈의 뒷면에 TM1637이 들어가 있습니다.

- Applied power CMOS technique
- The display mode (8 segments*6 bit) supports output by common anode LED.
- Keyboard scan (8×2bit), with enhanced identification circuit with anti-interference keys
- Luminance adjustment circuit (adjustable 8 duty ratio)
- Two-wire serial interface (CLK, DIO)
- Oscillating type: Built-in RC oscillator
- Built-in power-on reset circuit
- Built-in automatic blanking circuit
- Package type: DIP20/SOP20
붉은색으로 표시한 부분이 중요한데 LED 세그먼트의 타입이 Common Anode(공통 양극)를 지원합니다.
(참고로 7 세그먼트의 공통(Common)으로 사용되는 단자가 +를 사용하면 Common Anode, -를 공통으로 사용하면 Common Cathode라고 합니다. 아래 이미지를 참고하세요.)

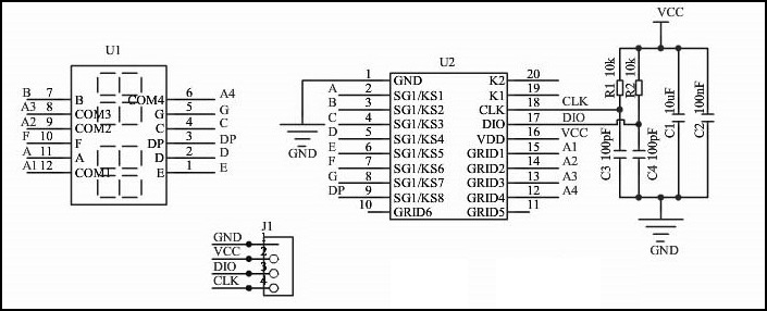
저항 2개, 커패시터 4개, FND 1개, TM1637 1개만 있으면 간단히 4자리수를 표현하는 7 세그먼트를 사용할 수 있습니다.

그래서 알리에서 TM1637 칩을 몇 개 구매했습니다.

제가 가지고 있는 4자리 FND가 MLS-3461BHB1 모델인데 이 모델이 공통 양극을 사용하는 FND입니다.

가지고 있던 부품들을 사용하여 아래와 같이 제작해 보았습니다. (전원용 커패시터 2개는 안 달았습니다.)

소프트웨어는 아두이노 IDE에서 TM1637용 라이브러리를 검색하여 설치 후 테스트하였습니다.

라이브러리 설치가 끝나면 새 파일에 아래 테스트 코드를 작성하여 테스트하였습니다.
#include <Arduino.h>
#include <TM1637Display.h>
#define CLK 2
#define DIO 3
TM1637Display display(CLK, DIO);
void setup()
{
display.setBrightness(0x0f);
display.clear();
for (int i = 0; i < 1000; i++) {
display.showNumberDec(i, true);
}
}
void loop()
{
}
아두이노에 코드를 업로드하니 바로 잘 동작되네요.
부품도 몇 개 없고 배선도 간단하여 생각보다 쉽게 동작시킬 수 있었습니다.

7 세그먼트 전면부에 필터를 좀 넣어야 할 것 같습니다. 숫자 구분이 명확하게 디스플레이 되질 않네요.

TM1637을 이용하면 몇 가지 부품만 가지고도 쉽게 7 세그먼트를 동작시킬 수 있어서 많이 사용될 것 같습니다.
만약 TM1637칩이 아닌 모듈 형태의 TM1637의 사용법이 궁금하신 분은 아래 게시글을 참고하시기 바랍니다.
[아두이노] TM1637 4-Digit 7-Segment 디스플레이 사용하기
TM1637은 중국의 Titan Micro Electronics라는 회사에서 만든 칩으로 최대 4자리 7세그먼트 디스플레이를 할 수 있는 IC 입니다. 이 칩의 가장 좋은 점은 4-Digit 7-Segment를 단지 2개의(DIO/CLK) 라인으로 컨트..
rudalskim.tistory.com
'Hardware > Arduino ( AVR )' 카테고리의 다른 글
| [Arduino] 28BYJ-48 스텝모터 사용하기 (1) | 2022.10.15 |
|---|---|
| Arduino Micro 펌웨어 복구하기(COM 포트 인식 불가) (0) | 2022.03.19 |
| [아두이노] 적외선 근접 센서 사용하기 (0) | 2022.02.20 |
| [아두이노] M35SP-7N 스텝모터 사용하기 (L298N 모터드라이버 사용) (0) | 2022.02.18 |
| [아두이노] DC 모터 사용하기(L298N 모터드라이버 사용) (3) | 2022.02.17 |