라즈베리파이 피코를 사용하여 여러 가지를 기능 테스트와 관련 PCB를 제작하여 동작시켜 보았습니다.
라즈베리파이 피코 테스트 보드 제작
라즈베리파이 피코 보드와 다른 디바이스들을 연동을 하려면 서로 간에 인터페이스로 연결을 해야 하는데 이때 기본적으로 사용되는 인터페이스로 UART/I2C/SPI 등이 있습니다. 라즈베리파이 피코
rudalskim.tistory.com
그런데 아무래도 인터넷이 연결이 안되니 사용범위가 제한적입니다.
WIFI 무선이 지원되면 좀 더 다양한 애플리케이션을 만들 수 있을 것 같아 라즈베리파이 피코 W를 구매하였습니다.

라즈베리파이 피코 W의 데이터시트에 스펙은 아래와 같이 적혀 있습니다.
기본적으로 WIFI를 제외한 모든 부분이 라즈베리파이 피코 보드와 동일합니다.
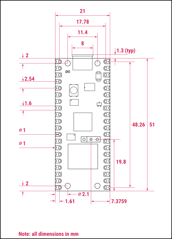
| Form factor | 21 mm × 51 mm |
| CPU | Dual-core Arm Cortex-M0+ @ 133MHz |
| Memory | 264KB on-chip SRAM, 2MB on-board QSPI flash |
| Interfacing | 26 GPIO pins, including 3 analogue inputs |
| Peripherals | 2 × UART 2 × SPI controllers 2 × I2C controllers 16 × PWM channels 1 × USB 1.1 controller and PHY, with host and device support 8 × PIO state machines |
| Connectivity | 2.4GHz IEEE 802.11b/g/n wireless LAN, on-board antenna |
| Input power | 1.8–5.5V DC |
| Operating temperature | -20°C to +70°C |
라즈베리파이 피코 보드 사이즈가 동일합니다.

디버그 포트가 Pico 보드와 달리 보드 중앙에 위치하고 있습니다.

Raspberry Pi Pico W 데이터 시트입니다. ( https://datasheets.raspberrypi.com/picow/pico-w-datasheet.pdf )
Raspberry Pi Pico W C/C++ SDK ( https://datasheets.raspberrypi.com/pico/raspberry-pi-pico-c-sdk.pdf )
먼저 아래 사이트에 접속하여 Pico W용 MicroPython을 다운로드 받습니다.
MicroPython - Python for microcontrollers
MicroPython is a lean and efficient implementation of the Python 3 programming language that includes a small subset of the Python standard library and is optimised to run on microcontrollers and in constrained environments.
micropython.org
웹사이트 아래 부분에 있는 Firmware를 다운로드 받으면 됩니다.
Pico W 보드 윗면의 BOOTSEL 버튼을 누른 상태에서 USB 케이블을 꽂으면 윈도우10 PC의 탐색기에 아래와 같이 RPI-RP2의 이름으로 드라이드로 인식됩니다.


이 드라이브에 MicroPython 사이트에서 다운로드 받은 Firmware를 복사해 넣습니다.
복사가 완료되면 Pico W 보드가 자동으로 재부팅되며 이 경우에는 위 RPI-RP2 드라이브가 생성되지 않습니다.

아래 사이트에서 Thonny를 다운로드 받은 후 실행시킵니다.
Thonny, Python IDE for beginners
Thonny 4 is dedicated to Ukraine fighting the Russian invasion. 🇺🇦 Please support Ukraine! 🇺🇦 Download version 4.0.1 for • • Thonny Python IDE for beginners Features Easy to get started. Thonny comes with Python 3.10 built in, so ju
thonny.org
간단히 LED가 ON/OFF 반복되는 기본 blink 예제를 아래와 같이 작성합니다.

import machine
import time
led = machine.Pin('LED', machine.Pin.OUT)
while (True):
led.on()
time.sleep(.2)
led.off()
time.sleep(.2)
Thonny 메뉴바의 'Run current script' 버튼을 눌러 blink 소스를 실행시킵니다.(아래 이미지 참고)

다운로드가 완료되면 Pico W 보드의 LED가 On/Off가 반복되면서 정상적으로 실행됩니다.

'Hardware > Raspberry PI' 카테고리의 다른 글
| [WIZnet] W55RP20-EVB-PICO 살펴보기 (1) | 2024.09.29 |
|---|---|
| 라즈베리파이 피코 W를 사용한 MQTT 테스트(AWS IoT Core 사용) (0) | 2022.12.16 |
| OpenSSL을 사용한 AWS 인증서 포맷(PEM, DER) 변환하기 (0) | 2022.12.07 |
| MQTT사용을 위한 AWS(Amazon Web Services) IoT Core 설정하기 (0) | 2022.12.07 |
| 라즈베리파이 피코와 A4988 스텝모터 모듈용 PCB 제작 (2) | 2022.10.27 |
